
(STA1318系列)
特点: 1.全封闭、耐环境性能好、绝缘隔离能力强,防潮抗震,外形美观; 2.电流互感器二次引线颜色不同便于区分同名端; 3.采用组合式互感器比采用同数量单体互感器更节省表内空间; 4.三相三线电路采用二位一体,三相四线电路采用三位一体。

(TAR15626系列)
特点: 1.可测量主回路电流为400A以下系统中的零序电流; 2.全封闭,机械和耐环境性能好,电压隔离能力强,安全可靠; 3.软线输出,使用方便灵活。

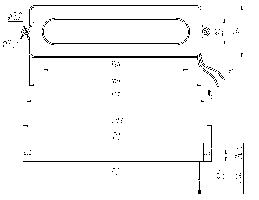
(SS2003系列)
特点: 1.直接固定在22×4扁排式母线上; 2.全封闭,机械和耐环境性能好,电压隔离能力强,安全可靠。

(STA4460系列)
特点: 1.立式穿芯,安装方式灵活,既可固定于母线上,又可固定在底板上; 2.母线穿孔为圆形,呈“一”字形排列。

(TA5765系列)
特点: 1.可测量主回路电流为250A以下系统中的零序电流; 2.全封闭,机械和耐环境性能好,电压隔离能力强,安全可靠; 3.软线输出,使用方便灵活。

(TAK030系列)
特点: 1.母线穿芯,软线引出,板式安装; 2.全封闭,机械和耐环境性能好,电压隔离能力强。