一、特点:
1.既可作电压互感器使用,又可作电流互感器使用;
2.全封闭,机械和耐环境性能好,电压隔离能力强,外形美观;
3.卧式穿芯,印刷线路板直接焊接安装;
4.引出脚间距按2.54mm网格排列,适应计算机布板要求;
5.小巧轻便,精度高,采样范围宽,应用灵活。
二、使用环境条件:
1.环境温度:-55℃~+85℃;
2.相对湿度:温度为40℃时不大于90%;
3.大气压力:860~1060mbar(约为650~800mmHg)。
三、工作频率范围:20Hz~20kHz。
四、绝缘耐热等级:B级(130℃)。
五、安全特性:
1.绝缘电阻:常态时大于1000MΩ;
2.抗电强度:3000V50Hz/1分钟(作电压互感器用时);
6000V50Hz /1分钟(作电流互感器用时);
3.阻燃性:符合UL94-V0级。
六、外形图、安装尺寸及线圈图见下图:

七、典型应用及性能参数:
1.作电压互感器使用时:
作电压互感器使用时是一种电流型电压互感器,典型应用见图三和图四,性能参数见表一;

表一:
使用 方法 | 型号 | 输入电压 | 输出电压 | 相移 | 非线性度 | 线性范围 | 额定电流 | 耐压 (kV) |
图三法 | DVDI-001 | ≤1000Vac | ≤1.2V | ≤30’ | ≤0.2% | 1.5倍额定 | 6mA/6mA | ≥3 |
DVDI-001M | ≤1000Vac | ≤1.5V | ≤40’ | ≤0.25% | ||||
图四法 | DVDI-001 | ≤1000Vac | ≤1/2倍IC 电源电压 | ≤5’ | ≤0.1% | 2倍额定 | ||
DVDI-001M | ≤1000Vac | ≤5’ | ≤0.1% |
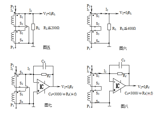
2.作电流互感器使用时:
作电流互感器应用时,用户只要在中心孔内穿1匝母线作为输入线圈,其次级有四种应用方法,分别如下图五、图六、图七、图八。性能参数见下表二和表三。

表二:
使用 方法 | 型号 | 额定 输入电流 | 额定 输出电流 | 额定 采样电阻 | 额定 采样电压 | 相移 | 非线性度 | 线性范围 | 耐压 (kV) |
图五法 | DVDI-001 | 9A | 6mA | 200Ω | 1.2V | ≤30’ | ≤0.2% | 1.5倍额定 | ≥6 |
DVDI-001M | 6mA | 250Ω | 1.5V | ≤40’ | ≤0.25% | ||||
图六法 | DVDI-001 | 18A | 6mA | 400Ω | 2.4V | ≤20’ | ≤0.2% | ||
DVDI-001M | 6mA | 500Ω | 3V | ≤27’ | ≤0.25% |
表三:
使用 方法 | 型号 | 额定 输入电流 | 额定 输出电流 | 额定 采样电压 | 相移 | 非线性度 | 线性范围 | 耐压 (kV) |
图七法 | DVDI-001 | 9A | 6mA | ≤1/2倍IC 电源电压 | ≤5’ | ≤0.1% | ≥2倍额定 | ≥6 |
DVDI-001M | 6mA | |||||||
图八法 | DVDI-001 | 18A | 6mA | |||||
DVDI-001M | 6mA |
八、注意事项:
本型互感器不管作电压互感器使用,还是作电流互感器使用时,其原理都是电流型互感器,所以次级电路不允许开路使用,也因于此,请不要在次级回路安装熔断器。