一、特点:
1.母线内置,印刷线路板直接焊接安装;
2.频率高,全封闭,机械和耐环境性能好;
3.全封闭,机械和耐环境性能好;
4.电压隔离能力强,安全可靠,外形美观。
二、使用环境条件:
1.环境温度:-55℃~+85℃;
2.相对湿度:温度为40℃时不大于90%;
3.大气压力:860~1060mbar (约为650~800mmHg)。
三、工作频率范围:2kHz~200kHz。
四、绝缘耐热等级:B级(130℃)。
五、安全特性:
1.绝缘电阻:常态时大于1000MΩ;
2.抗电强度:可承受工频4kV50Hz/1分钟;
3.阻燃性:符合UL94-V0级。
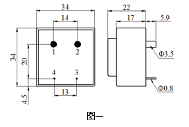
六、外形图、安装尺寸线圈图:
1.外形图、安装尺寸见图一:

2.线圈图见图二:

七、典型应用(见图三)及性能参数:

产品型号 | 额定 输入电流 | 额定 输出电流 | 额定 采样电阻 | 额定 采样电压 | 非线性度 |
TA3006-01 | 70A | 0.35A | 20Ω | 7.0V | ≤3% |
八、注意事项:
1.电流互感器初级应串联于被测电流回路中,次级应近似工作于短路状态;
2.电流互感器次级电路不允许开路,所以请不要装熔断器。