一、特点:
1.立式穿芯,多点固定;
2.使用于单根或多根母排穿越,特别是立式母排穿越;
3.输出端子为螺丝紧固压线式标准端子,便于在工程现场接线;
4.盒式结构,塑壳封闭,外形美观。
二、使用环境条件:
1.环境温度:-30℃~+70℃;
2.相对湿度:温度为40℃时不大于90%;
3.大气压力:860~1060mbar(约为650~800mmHg)。
三、额定频率:50Hz或60Hz。
四、绝缘耐热等级:E级(120℃)。
五、安全特性:
1.绝缘电阻:常态时大于1000MΩ;
2.抗电强度:可承受工频3kV50Hz/1分钟;
3.阻燃性:符合UL94-V0级。
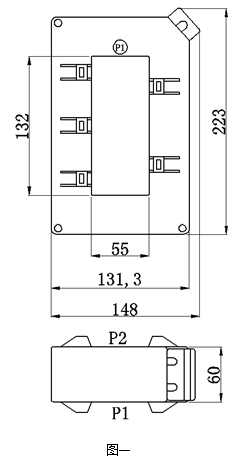
六、外形图、安装尺寸和线圈图:
1.外形图、安装尺寸见图一:

2.线圈图见图二:

● 说明:每只产品配套供给六个吸盘和六个M5固定母线螺丝。
七、典型应用及性能参数:
按图三所示应用时性能参数见下表。

产品型号 | 额定 输入电流 | 额定 输出电流 | 额定 采样电阻 RL | 额定 采样电压 | 非线性度 |
TAH13255-1 | 750A | 5A | 0.5Ω | 2.5V | ≤0.5% |
TAH13255-2 | 1000A | 5A | 0.66Ω | 3.3V | ≤0.5% |
TAH13255-3 | 1200A | 5A | 0.8Ω | 4V | ≤0.5% |
TAH13255-4 | 1500A | 5A | 1Ω | 5V | ≤0.5% |
TAH13255-5 | 2000A | 5A | 1.33Ω | 6.6V | ≤0.5% |
TAH13255-6 | 2500A | 5A | 1.66Ω | 8.3V | ≤0.5% |
TAH13255-7 | 3000A | 5A | 2Ω | 10V | ≤0.5% |
TAH13255-8 | 4000A | 5A | 2.66Ω | 13.3V | ≤0.5% |
TAH 13255-9 | 5000A | 5A | 3.33Ω | 16.6V | ≤0.5% |
TAH13255-10 | 6000A | 5A | 4Ω | 20V | ≤0.5% |
● 说明:
a.实际应用中,采样电阻应小于或等于上表给出的额定值,这样会改善非线性度和相移;
b.若用户需要的变流比与上述不同,可按用户要求订制。
八、注意事项:
1.电流互感器初级应串联于被测电流回路中,次级应近似工作于短路状态;
2.电流互感器次级回路在工作时不允许开路,所以请不要装熔断器。