首页
产品中心
变压器
互感器
传感器
开关电源
电抗器
行业应用
电力自动化、智能化
电源设备
轨道交通
工业自动化
下载中心
新闻资讯
关于我们
联系我们
加入我们
登录
注册
EN
TAH8535系列立式穿芯盒式交流电流互感器
82.png
TAH8535系列立式穿芯盒式交流电流互感器
特点:
1.立式穿芯,多点固定;
2.使用于单根或多根母排穿越,特别是立式母排穿越;
3.输出端子为螺丝紧固压线式标准端子,便于在工程现场接线;
4.盒式结构,塑壳封闭,外形美观。
TAH8535系列标准产品通用技术参数:

    一、特点:

    1.立式穿芯,多点固定;

    2.使用于单根或多根母排穿越,特别是立式母排穿越;

    3.输出端子为螺丝紧固压线式标准端子,便于在工程现场接线;

    4.盒式结构,塑壳封闭,外形美观。

 

    二、使用环境条件:

    1.环境温度:-30~+70

    2.相对湿度:温度为40时不大于90%

    3.大气压力:860~1060mbar(约为650~800mmHg)

 

    三、额定频率:50Hz60Hz

 

    四、绝缘耐热等级:E(120)

 

    五、安全特性:

    1.绝缘电阻:常态时大于1000MΩ

    2.抗电强度:可承受工频3kV50Hz/1分钟;

    3.阻燃性:符合UL94-V0级。

 

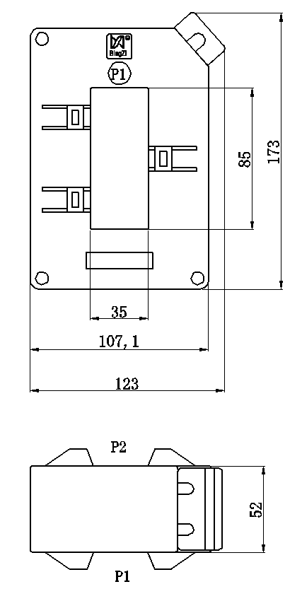
    六、外形图、安装尺寸和线圈图:

    1.外形图、安装尺寸见图一:

image.png

    2.线圈图见图二:

 image.png

    ● 说明:每只产品配套供给六个吸盘和六个M5固定母线螺丝。

    七、典型应用及性能参数:

    按图三所示应用时性能参数见下表。

 image.png

产品型号

额定

输入电流

额定

输出电流

额定

采样电阻

RL

额定

采样电压

非线性度

TAH8535-1

400A

5A

0.267Ω

1.33V

≤0.5%

TAH8535-2

500A

5A

0.333Ω

1.66V

≤0.5%

TAH8535-3

600A

5A

0.4Ω

2V

≤0.5%

TAH8535-4

750A

5A

0.5Ω

2.5V

≤0.5%

TAH8535-5

1000A

5A

0.667Ω

3.33V

≤0.5%

TAH8535-6

1200A

5A

0.8Ω

4V

≤0.5%

TAH8535-7

1500A

5A

5V

≤0.5%

TAH8535-8

2000A

5A

1.33Ω

6.66V

≤0.5%

TAH8535-9

2500A

5A

1.66Ω

8.33V

≤0.5%

TAH8535-10

3000A

5A

10V

≤0.5%

    说明:

    a.实际应用中,采样电阻应小于或等于上表给出的额定值,这样会改善非线性度和相移;

    b.若用户需要的变流比与上述不同,可按用户要求订制。

 

    八、注意事项:

    1.电流互感器初级应串联于被测电流回路中,次级应近似工作于短路状态;

    2.电流互感器次级回路在工作时不允许开路,所以请不要装熔断器。


应用案例
以市场需求为导向-不断创新-关注客户
标准产品预定
定制产品预定
搜索