一、特点:
1.输入为交流电流信号,输出为交流电压信号;
2.内置运算放大器,使得测量精度高;
3.全封闭,机械和耐环境性能好,使用安全、可靠;
4.外形美观,小巧轻便,印刷线路板直接焊接安装。
二、使用环境条件:
1.环境温度:-55℃~+85℃;
2.相对湿度:温度为40℃时不大于90%;
3.大气压力:860~1060mbar(约为650~800mmHg)。
三、工作频率范围:20Hz~10kHz。
四、绝缘耐热等级:B级(130℃)。
五、安全特性:
1.绝缘电阻:常态时大于1000MΩ;
2.抗电强度:可承受工频2kV50Hz /1分钟;
3.阻燃性:符合UL94-V0级。
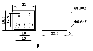
六、外形图、安装尺寸(图一):

七、引出脚功能:(如下表)
脚号 | 2-4 | 6 | 7 | 8 | 9 | 10 |
功能 | 输入 | +B | 调整 | 地 | -B | 输出 |
八、性能参数:
1.额定输入电流(有效值):5A (引脚号为2-4)
2.额定输出电压(有效值):5V (引脚号为8-10)
3.非线性度≤0.3%
4.相移≤30’
5.隔离耐压≥2kV
6.工作电源电压(B)±15V~22V
九、使用说明:
1.2-4为输入线圈,串联于被测电流回路;6脚接+B,9脚接–B;8脚接地,10脚为输出端,7脚为调整端。
2.当输入交流电流自0~5A变化时,10-8间输出0~5V,并呈线性对应关系。
3.7-10间并接一个电容,可补偿相移,一般电容量可选0.033μF,可将相移补偿到≤15’
4.7-10间并接一电阻时,可改变输出电压。如果并接的电阻值为R,则输入5A电流时,输出电压为:

十、注意事项:
1.8脚一定要接地,否则会影响精度;
2.若想将交流输出信号变成直流信号,需用“绝对值整流”办法来实现。否则由于二极管管压降的存在,会破坏线性对应关系;
3.提高加到6、9脚的工作电源电压,可扩大测量范围;反之会缩小测量范围;
4.如果您要的输入输出参数与本型号不符,可按您的要求订做。