■ | 典型性能 | |
● | 单、双路输出模式 | |
● | 输出总功率3W | |
● | 输出电压3.3~48V | |
■ | 输入特性 | |||
输入电压范围(DC) | 18~36V | |||
36~72V | ||||
■ | 输出特性 | |||
输出电压精度 | Vout1标称输出电压±1%/Vout2标称输出电压±3% | |||
负载效应 | 10%~100%Ionom变化时 △ Voutnom≤±0.5% | |||
源效应 | Vinmin~Vinmax变化时 △ Voutnom≤±0.2% | |||
过流保护 | 在120%~200%Iout1nom范围内输出关闭自动恢复 | |||
纹波及噪声 | ≤1% Voutnom(max) | |||
转换效率 | 见产品选型表 | |||
温度系数 | ≤±0.02%/℃ (最大值) | |||
■ | 一般特性 | |||
隔离电压 | Vin~Vout、Vin~Case、Vout~Case | |||
无故障间隔时间 | ≥1×10⁶h | |||
开关频率 | 300kHz左右 | |||
保护功能 | 长期短路保护自恢复 | |||
工作温度 | −25~+60℃满载使用/+60~+85℃降额使用 | |||
储存温度 | −40~+105℃ | |||
相对湿度 | 10RH~90RH | |||
冷却方式 | 自然冷却 | |||
■ | 选型表 | ||||
型号 | 输入电压范围 | 输出电压/电流 | 最大容性负载(µF) | 典型效率 | |
FM3-24S05 | 18~36 | 5.05/0.60 | 76 | ||
FM3-24S12 | 18~36 | 12/0.25 | 80 | ||
FM3-24S15 | 18~36 | 15/0.20 | 80 | ||
FM3-48S05 | 36~72 | 5.05/0.60 | 78 | ||
FM3-48S12 | 36~72 | 12/0.25 | 80 | ||
FM3-48S15 | 36~72 | 15/0.20 | 80 | ||
FM3-24D05 | 18~36 | ±5.05/0.30 | 76 | ||
FM3-24D12 | 18~36 | ±12/0.13 | 80 | ||
FM3-24D15 | 18~36 | ±15/0.10 | 80 | ||
FM3-48D05 | 36~72 | ±5.05/0.30 | 78 | ||
FM3-48D12 | 36~72 | ±12/0.13 | 80 | ||
FM3-48D15 | 36~72 | ±15/0.10 | 80 | ||
注:输入电压可选12V(9~18V)、110V(75~150V) | |||||
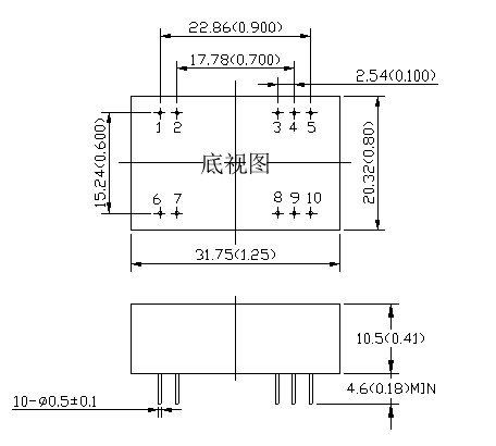
■ | 产品示意图 |

单位:mm(inch)
■ | 管脚定义 | ||||||||||
定义 | 1 | 2 | 3 | 4 | 5 | 6 | 7 | 8 | 9 | 10 | |
单路 | -Vin | -Vin | NC | NC | NC | +Vin | +Vin | -Vo | NC | +Vo | |
双路 | -Vin | -Vin | COM | NC | Vo₂ | +Vin | +Vin | COM | NC | Vo₁ | |