一、特点:
1.全封闭印刷线路板直接焊接安装,使用方便、外形美观;
2.结构紧凑、坚固、抗振、防潮、阻燃;
3.空载电流小,功率因数高,输入过电压范围宽;
4.抗电强度高达15kV。
二、使用环境条件:
1.环境温度:-25℃~+70℃;
2.相对湿度:温度为40℃时不大于90%;
3.大气压力:860~1060mbar (约为650~800mmHg)
三、绝缘耐热等级:B级(130℃)
四、安全特性:
1.绝缘电阻:常态时大于1000MΩ;
2.抗电强度:可承受工频15kV/1分钟;
3.抗电冲击:可承受脉冲6kV/50μS连续20次冲击;
4.阻燃性:符合UL94-V0级;
五、安全认证:CE
六、额定功率:15VA。
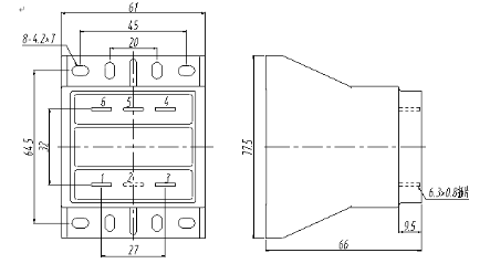
七、外形图、安装尺寸及详细技术参数见下图:

八、现有型号参数表:
1.SG1515-01

九、本系列产品也可作PCB焊接引出,参数可按用户要求设计。