一、特点:
1.全封闭印刷线路板直接焊接安装,使用方便、外形美观;
2.结构紧凑、坚固、抗振、防潮、阻燃;
3.空载电流小,功率因数高,输入过电压范围宽;
4.抗电强度高达12kV;
5.也可根据客户需求用软线引出。
二、使用环境条件:
1.环境温度:-25℃~+70℃;
2.相对湿度:温度为40℃时不大于90%;
3.大气压力:860~1060mbar (约为650~800mmHg)
三、绝缘耐热等级:B级(130℃)
四、安全特性:
1.绝缘电阻:常态时大于1000MΩ;
2.抗电强度:可承受工频12kV/1分钟;
3.抗电冲击:可承受脉冲6kV/50μS连续20次冲击;
4.阻燃性:符合UL94-V0级;
五、安全认证:CE
六、额定功率:2VA。
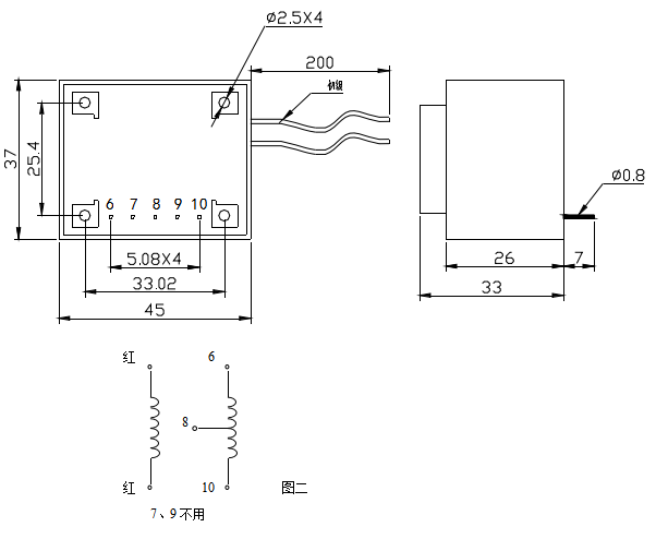
七、外形图、安装尺寸及详细技术参数见下图:
1.引脚引出时外形尺寸及引脚位置:


2.软线引出时外形尺寸及引脚安排:

