首页
产品中心
变压器
互感器
传感器
开关电源
电抗器
行业应用
电力自动化、智能化
电源设备
轨道交通
工业自动化
下载中心
新闻资讯
关于我们
联系我们
加入我们
登录
注册
EN
TA4051系列卧式穿芯圆形交流电流互感器
TA4051系列卧式穿芯圆形交流电流互感器-1.png
TA4051系列卧式穿芯圆形交流电流互感器
特点:
1.直接固定在2.7×31扁排式母线上;
2.全封闭,机械和耐环境性能好,电压隔离能力强,安全可靠。
TA4051系列标准产品通用技术参数:

  一、特点:

    1.直接固定在2.7×31扁排式母线上;

    2.全封闭,机械和耐环境性能好,电压隔离能力强,安全可靠。

 

    二、使用环境条件:

    1.环境温度:-55℃+55℃

    2.相对湿度:温度为40℃时不大于90%

    3.大气压力:8601060mbar(约为650800mmHg)

 

    三、工作频率范围:20Hz1kHz

 

    四、绝缘耐热等级:B(130℃)

 

    五、安全特性:

    1.绝缘电阻:常态时大于1000MΩ

    2.抗电强度:可承受工频6kV50Hz/1分钟;

    3.阻燃性:符合UL94-V0级。

 

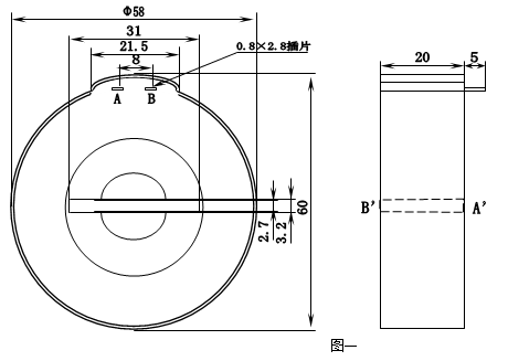
  六、外形图、安装尺寸及线圈图:

    1外形图、安装尺寸见图一

image.png

    2线圈图见图二

image.png

  七、性能参数:

  按图三所示应用性能参数见下表。

image.png

产品型号

额定

输入电流

额定

输出电流

额定

采样电阻

额定

采样电压

相移

非线性度

线性范围

TA4051-01

300A

100mA

90Ω

9V

≤30’

≤0.5%

≥3倍额定

TA4051-02

300A

150mA

40Ω

6V

≤30’

≤0.5%

  ● 说明:

    a.实际应用中,采样电阻应小于或等于上表给出的额定值,这样会改善非线性度和相移;

    b.若用户需要的变流比与上述不同,可按用户要求订制。

 

    八、注意事项:

    1.电流互感器初级应串联于被测电流回路中,次级应近似工作于短路状态;

    2.电流互感器次级电路不允许开路,所以请不要装熔断器。


应用案例
以市场需求为导向-不断创新-关注客户
标准产品预定
定制产品预定
搜索