一、特点:
1.立式安装,输出线圈端子为标准插片,使用方便,外形美观;
2.全封闭,机械和耐环境性好,电压隔离能力强,精度高,安全可靠。
二、使用环境条件:
1.环境温度:-55℃~+85℃;
2.相对湿度:温度为40℃时不大于90%;
3.大气压力:860~1060mbar (约为650~800mmHg)。
三、工作频率范围:20Hz~20kHz
四、绝缘耐热等级:B级 (130℃)
五、安全特性:
1.绝缘电阻:常态时大于1000MΩ;
2.抗电强度:可承受工频6kV50Hz/1分钟;
3.阻燃性:符合UL94-V0级。
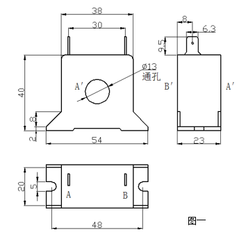
六、外形图、安装尺寸及线圈图:
1.外形图、安装尺寸见图一:

2.线圈图见图二:

七、典型应用及性能参数:
按图三所示应用时性能参数见下表。

产品型号 | 额定 输入电流 | 额定 输出电流 | 额定 采样电阻 RL | 额定 采样电压 | 相移 | 非线性度 | 线性范围 |
TA2030-00 | 120A | 40mA | 150Ω | 6V | ≤6’ | ≤0.2% | 1.5倍额定 |
TA2030-00M | 120A | 40mA | 187.5Ω | 7.5V | ≤7.5’ | ≤0.25% | |
TA2030-01 | 100A | 50mA | 80Ω | 4V | ≤8’ | ≤0.2% | |
TA2030-01M | 100A | 50mA | 100Ω | 5V | ≤10’ | ≤0.25% | |
TA2030-02 | 90A | 60mA | 50Ω | 3V | ≤10’ | ≤0.2% | |
TA2030-02M | 90A | 60mA | 62.5Ω | 3.75V | ≤12.5’ | ≤0.25% | |
TA2030-03 | 60A | 60mA | 30Ω | 1.8V | ≤10’ | ≤0.2% | |
TA2030-03M | 60A | 60mA | 37.5Ω | 2.25V | ≤12.5’ | ≤0.25% |
● 说明:
a. 实际应用中,采样电阻应小于或等于上表给出的额定值,这样会改善非线性度和相移;
b. 若用户需要的变流比与上述不同,可按用户要求订制。
八、注意事项:
1.电流互感器初级应串联于被测电流回路中,次级应近似工作于短路状态;
2.电流互感器次级电路不允许开路,所以请不要装熔断器。