功能描述:
本系列传感器的原边与副边之间是绝缘的,用于直流、交流、脉冲的测量。
◆ 闭环霍尔原理;
◆原边与副边隔离;
◆ 高精度,线性度好;
◆ 宽量程;
◆ 无插入损耗;
◆ 原材料符合UL 94-V0;
应用领域
◆交流变频驱动和伺服电机驱动
◆直流电机驱动的静态转换器
◆电池供电应用
◆不间断电源供应(UPS)
◆开关式电源(SMPS)
◆焊接用电源。
型号列表:
产品型号 | ||
型号 | 额定输入电流IPN (A) | 测量范围 IPM (A) |
HS75-2000A-C | 2000 | ±3000 |
参数表:
参数 | 符号 | 单位 | 数值 | 测试条件 |
电气参数 | ||||
原边额定输入电流 | IPN | A | 2000 | |
原边测量电流范围 | IPM | A | 0~±3000 | @VC=±24V |
匝比 | KN | T | 1:5000 | |
供电电压(±5%) | VC | V | ±15~24 | |
消耗电流 | IC | mA | 33(@±24V)+Is | |
额定输出电流 | IsN | mA | 400 | |
性能参数 | ||||
线性度(3) (0…±IPN) | εL | %of IPN | <±0.1 | |
精度 | X | % | <±0.3 | @ IPN, TA = 25°C |
(去除零点失调电压) | ||||
失调电流 | IO | mA | <±0.5 | @TA = 25°C |
磁失调电流 | IOM | mA | @ IP= 0,特定RM下3*IPN | |
零点温漂 | IOT | mA | <±0.5 | |
<±1.5 | -40°C~ -25°C | |||
响应时间 | tr | µS | <1 | |
电流跟随精度 | di/dt | A/us | >50 | |
频率带宽 | BW | KHZ | 100 | |
通用性参数 | ||||
工作环境温度 | TA | ℃ | -40….+85 | |
存储环境温度 | TS | ℃ | -50….+90 | |
副边线圈电阻 | Rs | Ω | 25 | @TA = 70°C |
26 | @TA = 85°C | |||
重量 | m | Kg | 1.5 | 近似值 |
绝缘特性:
参数 | 符号 | 单位 | 数值 | 备注 |
交流隔离耐压测试有效值 @ 50Hz,1min | UD | KV | 6 | |
冲击耐受电压1.2/50uS | UW | KV | - | |
外壳材料 | - | - | UL94-V0 | |
相对耐漏电起痕指数 | CTI | - | 600 | |
爬电距离 | dCP | mm | 29.1 | |
电气间隙 | dCI | mm | 27.1 |
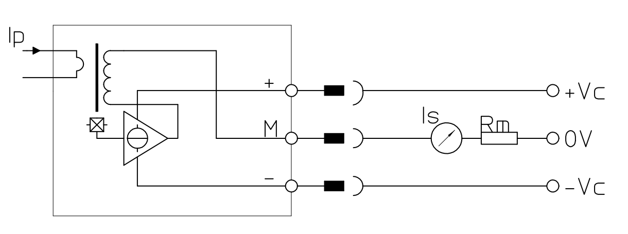
接线图:
RM测量电阻
TA = 70°C |
TA = 85°C |
Ω | |||||
RM min | RM max | RM min | RM max | ||||
VC=±15V | @±2000Amax | 0 | 8 | @±2000Amax | 0 | 7 | |
@±2200Amax | 0 | 5 | @±2200Amax | 0 | 4 | ||
VC=±24V | @±2000Amax | 5 | 29 | @±2000Amax | 13 | 28 | |
@±3000Amax | 5 | 11 | @±2800Amax | 13 | 13 | ||
机械尺寸:
注意:

传感器使用必须遵循 IEC61010-1 标准。 传感器必须按照使用说明要求安放在符合应用标准和安全要求的电子或电气设备中。
注意,小心电击。
传感器工作时,某些部位可能会承受危险电压(如原边母排、电源),忽视这些将导致损坏和严重危险。 传感器是内置式设备,在安装完毕后其导电部分一定要保证不被外界触及。必要时可加装保护壳或屏蔽罩。 主电源必须能被断开