首页
产品中心
变压器
互感器
传感器
开关电源
电抗器
行业应用
电力自动化、智能化
电源设备
轨道交通
工业自动化
下载中心
新闻资讯
关于我们
联系我们
加入我们
登录
注册
EN
TA1418系列立式穿芯小型精密交流电流互感器
29.png
TA1418系列立式穿芯小型精密交流电流互感器
特点:
1.外置穿芯母线,用户可自选母线匝数,印刷线路板直接焊接安装;
2.体积小巧,过孔大,精度高,外形美观;
3.全封闭,机械和耐环境性能好,电压隔离能力强,安全可靠。
TA1418系列标准产品通用技术参数:

    一、特点:

    1.外置穿芯母线,用户可自选母线匝数,印刷线路板直接焊接安装;

    2.体积小巧,过孔大,精度高,外形美观;

    3.全封闭,机械和耐环境性能好,电压隔离能力强,安全可靠。

 

    二、使用环境条件:

    1.环境温度:-55~+85

    2.相对湿度:温度为40时不大于90%

    3.大气压力:860~1060mbar(约为650~800mmHg)

 

    三、工作频率范围:20Hz~20kHz

 

    四、绝缘耐热等级:B(130)

 

    五、安全特性:

    1.绝缘电阻:常态时大于1000MΩ

    2.抗电强度:可承受工频6kV50Hz /1分钟;

    3.阻燃性:符合UL94-V0级。

 

    六、外形图、安装尺寸及线圈图:

    1.外形图、安装尺寸见图一:

image.png

    2.线圈图见图二:

image.png

    七、典型应用及性能参数:

image.png

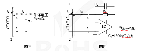
    1.用电阻法直接获得采样电压时(图三)性能参数见表一;

    表一:

产品型号

额定

输入电流

额定

输出电流

额定

采样电阻

RL

额定

采样电压

相移

非线性度

线性范围

TA1418-1M

2A

10mA

100Ω

1V

≤30’

≤0.25%

≥1.5倍额定

TA1418-2M

2A

5mA

400Ω

2V

≤30’

≤0.25%

     2.用IC法获得采样电压时(图四)性能参数见表二。

    表二:

产品型号

额定

输入电流

额定

输出电流

额定采样电压

相移

非线性度

线性范围

TA1418-1M

2A

10mA

≤1/2IC电源电压

≤5’

≤0.1%

≥1.5倍额定

TA1418-2M

2A

5mA

     八、注意事项:

    1.电流互感器初级应串联于被测电流回路中,次级应近似工作于短路状态;

    2.电流互感器次级电路不允许开路,所以请不要装熔断器。


应用案例
以市场需求为导向-不断创新-关注客户
标准产品预定
定制产品预定
搜索