首页
产品中心
变压器
互感器
传感器
开关电源
电抗器
行业应用
电力自动化、智能化
电源设备
轨道交通
工业自动化
下载中心
新闻资讯
关于我们
联系我们
加入我们
登录
注册
EN
TA1321系列卧式穿芯小型精密交流电流互感器
TA1321系列卧式穿芯小型精密交-1.gif
TA1321系列卧式穿芯小型精密交流电流互感器
特点:
1.卧式穿芯,印刷线路板直接焊接安装、外形美观;
2.全封闭,机械和耐环境性能好,电压隔离能力强,精度高,安全可靠。
TA1321系列标准产品通用技术参数:

    一、特点:

    1.卧式穿芯,印刷线路板直接焊接安装、外形美观;

    2.全封闭,机械和耐环境性能好,电压隔离能力强,精度高,安全可靠。

 

    二、使用环境条件:

    1.环境温度:-55~+85℃;

    2.相对湿度:温度为40℃时不大于90%

    3.大气压力:860~1060mbar(约为650~800mmHg)

 

    三、工作频率范围:20Hz~20kHz

 

    四、绝缘耐热等级:B(130)

 

    五、安全特性:

    1.绝缘电阻:常态时大于1000MΩ;

    2.抗电强度:可承受工频6kV50Hz/1分钟;

    3.阻燃性:符合UL94-V0级。

 

    六、外形图、安装尺寸(图一)及线圈图(图二)

image.png

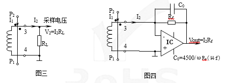
    七、典型应用及性能参数:

    1.用电阻法直接获得采样电压时(图三)性能参数见表一;

    2.用IC法获得采样电压时(图四)性能参数见表二;

image.png

    表一

产品型号

额定

输入电流

额定

输出电流

额定

采样电阻

RL

额定

采样电压

相移

非线性度

线性范围

TA1321-1K

10A

25mA

32Ω

0.8V

≤30’

≤0.2%

≥2倍额定

TA1321-1KM

10A

25mA

40Ω

1.0V

≤37’

≤0.25%

TA1321-2K

10A

10mA

200Ω

2.0V

≤20’

≤0.2%

TA1321-2KM

10A

10mA

250Ω

2.5V

≤25’

≤0.25%

TA1321-3K

20A

10mA

300Ω

3.0V

≤15’

≤0.2%

TA1321-3KM

20A

10mA

375Ω

3.75V

≤19’

≤0.25%

TA1321-4K

30A

6mA

500Ω

3.0V

≤12’

≤0.2%

≥1.5倍额定

TA1321-4KM

30A

6mA

625Ω

3.75V

≤15’

≤0.25%

TA1321-5K

40A

50mA

20Ω

1.0V

≤15’

≤0.2%

TA1321-5KM

40A

50mA

25Ω

1.25V

≤19’

≤0.25%

TA1321-6K

20A

25mA

20Ω

0.5V

≤20’

≤0.2%

TA1321-6KM

20A

25mA

25Ω

0.625V

≤25’

≤0.25%

    表二:

产品型号

额定

输入电流

额定

输出电流

额定采样电压

相移

非线性度

线性范围

TA1321-1K

10A

25mA

≤1/2IC电源电压

≤5’

≤0.1%

≥2倍额定

TA1321-1KM

10A

25mA

TA1321-2K

10A

10mA

TA1321-2KM

10A

10mA

TA1321-3K

20A

10mA

TA1321-3KM

20A

10mA

TA1321-4K

30A

6mA

TA1321-4KM

30A

6mA

TA1321-5K

40A

50mA

TA1321-5KM

40A

50mA

TA1321-6K

20A

25mA

TA1321-6KM

20A

25mA

     八、注意事项:

    1.电流互感器初级应串联于被测电流回路中,次级应近似工作于短路状态;

    2.电流互感器次级电路不允许开路,所以请不要装熔断器。


应用案例
以市场需求为导向-不断创新-关注客户
标准产品预定
定制产品预定
搜索