一、概述:
IDB4.5/TN-1G集成驱动模块(以下简称驱动模块),用于驱动单个大功率IGBT或MOS。具有输入输出7000V高隔离耐压。驱动模块具有短路保护,还设有盲区、软启动等调节引脚,方便设计调试。
二、产品特点:
• 采用SPI单列直插封装;
• 故障保护盲区和软关断时间外部可调;
• 输入输出信号电气隔离;
• 保护阈值电压外部可调;
• 带有过流及短路保护和故障输出功能;
三、极限特性:
参数 | 测试条件 | 数值 | 单位 | |
逻辑电源电压 | VCC | 6.0 | V | |
输入信号电压 | VSIG | VCC=5.0V,30KHz | 15 | V |
驱动电源电压 | VDD | 26 | V | |
瞬态输出峰值电流 | Io on | TON=1uS,D=0.01 | +40 | A |
Io off | -40 | |||
输出功率 | Po | 4.5 | W | |
工作频率 | F | 80 | KHz | |
绝缘耐压 | Viso | AC 50Hz 1min | 7000 | V |
四、电气参数:
参数 | 测试条件 | 最小值 | 典型值 | 最大值 | 单位 | |
输入参数: | ||||||
逻辑电源电压(VCC) | 4.5 | 5.0 | 6.0 | V | ||
逻辑电源电流(ICC) | 10 | mA | ||||
电源电压(VDD) | 23.0 | 24.0 | 25.5 | V | ||
电源电流(IDD) | 210 | mA | ||||
输入信号(VSIG) | 3.0 | 5.0 | 15.0 | V | ||
信号输入电流(ISIG) | 100KHz,Vin=H | 1.0 | mA | |||
信号频率范围(fSIG) | 0 | 80 | KHz | |||
占空比 | 0 | 100 | % | |||
输出特性 | ||||||
输出电压(VO) | Vin =15.0V | VO+ | 14 | 15 | 16 | V |
VO- | -7 | -8 | -9 | V | ||
输出电流(IO) | Ton=1μS D=0.01 | IO+ | 40.0 | A | ||
IO- | -40.0 | A | ||||
延迟时间 | IOH=10mA | tDT on | 500 | 800 | nS | |
tDT off | 500 | 700 | nS | |||
栅极电阻(Rg) | 外设置 | 0.5 | Ω | |||
保护特性 | ||||||
保护阈值(VOCP) | 可外设置 典型值为缺省值 | 4.2 | 14 | V | ||
保护盲区(Tb) | 可外设置 最小值为缺省值 | 4.0 | 11 | μS | ||
软关断时间(Ts) | 可外设置 最小值为缺省值 | 3.5 | 11 | μS | ||
故障信号延时(TALM) | 1.0 | μS | ||||
故障输出端电流(IALM) | 吸收电流 | 10 | mA | |||
其他 | ||||||
绝缘耐压 | AC/50HZ/1min | 7000 | Vrms | |||
环境温度 | -40 | 85 | ℃ | |||
储存温度 | -50 | 125 | ℃ | |||
五、原理框图:

六、引脚定义及功能说明:

序号 | 表示符号 | 说明 |
1 | VSIG+ | 驱动信号输入正电源输入正 |
2 | 空脚 | |
3 | 空脚 | |
4 | VCC+ | 驱动信号输入地 |
5 | GND | 电源、信号地 |
6 | ALM | 故障保护报警输出端;低电平有效。 |
7 | RESET | 模块复位引脚。故障后高电平复位。 |
8 | ROCP | 过流保护阈值调整端。 |
9 | Cs | 保护软关断时间调整端。 |
10 | VO+ | 驱动输出正。 |
11 | VO- | 驱动输出负。 |
12 | VDD | 驱动电源正端。 |
13 | -VEE | 驱动电源负端。 |
14 | Cb | 保护盲区时间调整端。 |
15 | VOCP | 过流电压检测端。 |
16 | COM | 驱动电源公共端。 |
七、调节说明:

电压下降到90%的时间。盲区时间是为了避免检测端干扰或其它扰动导致保护电路误动作。该时间可以通过14脚外接电容调节,具体调节可参照下表:
Tb(uS) | Rp(KΩ) | ||||||
4.7 | 10 | 47 | 100 | 200 | 缺省 | ||
Cb(pF) | 缺省 | 4.4 | 3.2 | 2.3 | 1.9 | 1.8 | 1.7 |
47 | 5.8 | 4.4 | 2.8 | 2.5 | 2.4 | 2.2 | |
100 | 7.9 | 5.9 | 3.9 | 3.3 | 3.1 | 2.9 | |
220 | 12.7 | 9.2 | 5.4 | 4.8 | 4.3 | 4.0 | |
470 | 16.4 | 9.5 | 7.5 | 6.8 | 6.2 | ||
1000 | 17.2 | 14.2 | 12.8 | 10.9 | |||
(2) 软关断时间调整:
软关断时间是驱动波形从90%电压降到COM电压的时间,具体调节可参照下表:
软关断时间调整参考表 | |
(nF) | Fb (μS) |
缺省 | 5.2 |
0.47 | 5.8 |
1.0 | 6.6 |
1.5 | 7.4 |
2.2 | 8.8 |
(3) 过流保护阈值调整:
当主功率回路中电流过大或是发生短路时,OCP脚电压会相应升高,当电压达到内部保护阈值后,电路启动保护功能。这一阈值可以通过11脚VOCP来进行调节·,11、9脚之间接电阻可以提高VOCP,11、8脚之间接电阻可以降低VOCP,具体调节关系如下表:
保护阈值调整参考表 | ||||||
Rp(KΩ) | 缺省 | 200 | 100 | 47 | 10 | 4.7 |
VOCP | 4.2 | 5.1 | 5.6 | 6.5 | 10.2 | 11.7 |
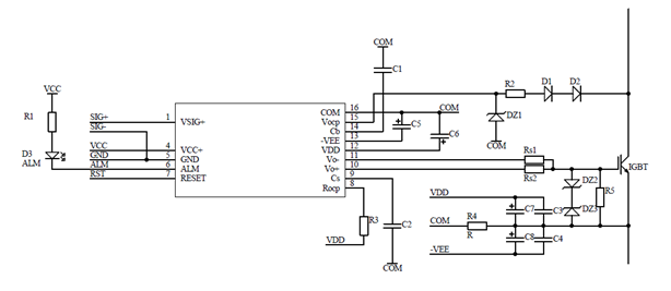
八、测试电路:

推荐参数:
Vsig=5V VCC:5V,实际应用时推荐外接100μF/35V电解电容。
C5、C6 、C7、C8:47μF/35V,选用低ESR电解电容;
R5:4.7-10KΩ 1/4W;
R3:外部阈值调节电阻,可选用1/4W电阻,具体数值参照7)节说明;
Rs1、Rs2:驱动栅极限流电阻,建议在0.5Ω-22.0Ω之间选择;
R4: 330Ω 1/4W
R2: 220Ω 1/4W
D1、D2:UF4007,当主路电压高于600V时,建议用两个串联使用;
DZ1:15-30V 1/2W稳压管;
DZ2、DZ3:18V 1.0W稳压管。
九、外形尺寸:
