一、特点:
1.卧式穿芯,印刷线路板直接焊接安装;
2.体积小,精度高,外形美观;
3.全封闭,机械和耐环境性能好,电压隔离能力强。
二、使用环境条件:
1.环境温度:-55℃~+85℃;
2.相对湿度:温度为40℃时不大于90%;
3.大气压力:860~1060mbar(约为650~800mmHg)。
三、工作频率范围 2kHz~20kHz。
四、绝缘耐热等级:B级(130℃)。
五、安全特性:
1.绝缘电阻:常态时大于1000MΩ;
2.抗电强度:可承受工频6000V50Hz /1分钟;
3.阻燃性:符合UL94-Vo级。
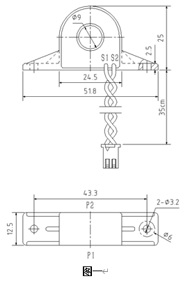
六、外形图、安装尺寸见右上图一:

七、线圈图见下图二

八、典型应用及性能参数:
用电阻法直接获得采样电压时(如右上图三所示)性能参数见表一;
表一:
产品型号 | 额定 输入电流 | 额定 输出电流 | 额定 采样电阻 | 额定 采样电压 | 相移 | 非线性度 | 线性范围 | 耐压 (kV) |
TA0924L-01M | 50A | 25mA | 100Ω | 2.5V | ≤20’ | ≤0.2% | ≥2倍额定 | ≥6 |
TA0924L-02M | 50A | 50mA | 25Ω | 1.25V | ≤25’ |
九、注意事项:
1.电流互感器初级应串联于被测电流回路中,次级应近似工作于短路状态。
2.电流互感器次级电路不允许开路,所以请不要装熔断器。