一、特点:
1.立式穿芯,安装方式灵活,既可固定于母线上,又可固定在底板上。
2.输出为软线引出形式,便于在工程现场接线;
二、使用环境条件:
1.环境温度:-40℃~+85℃;
2.相对湿度:温度为40℃时不大于90%;
3.大气压力:860~1060mbar(约为650~800mmHg)。
三、工作频率范围:20Hz~20kHz。
四、绝缘耐热等级:b级(130℃)。
五、安全特性
1.绝缘电阻:常态时大于1000MΩ;
2.抗电强度:可承受工频6000V/50Hz/1分钟;
3.阻燃性:符合UL94-Vo级。
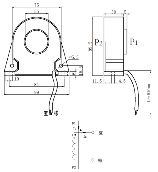
六、外形图、安装尺寸及线圈图见下图一:

图一
七、典型应用及性能参数:
按图二所示应用时性能参数见下表:

产品型号 | 额定 输入电流 | 额定 输出电流 | 额定 采样电阻 RL | 额定 采样电压 | 相移 | 非线性度 | 线性范围 | 耐压 (kV) |
TA035-01M | 100A | 0.1A | 20Ω | 2V | ≤30’ | ≤0.25% | 3倍额定 | ≥6 |
TA035-02M | 200A | 0.1A | 40Ω | 4V | ≤30’ | |||
TA035-03M | 300A | 0.1A | 60Ω | 6V | ≤30’ | |||
TA035-04M | 400A | 0.1A | 80Ω | 8V | ≤30’ | |||
TA035-05M | 500A | 0.1A | 100Ω | 10V | ≤30’ |
注意:此系列互感器用于电机保护、软启动、大电流监控的场所
● 说明:
a.实际应用中,采样电阻应小于或等于上表给出的额定值,这样会改善非线性度和相移。
b.若用户需要的变流比与上述不同,可按用户要求订制。
八、注意事项:
1.电流互感器初级应串联于被测电流回路中,次级应近似工作于短路状态;
2.电流互感器次级回路在工作时不允许开路,所以请不要装熔断器。