一、特点:
1.立式穿芯,安装方式灵活,既可固定于母线上,又可固定在底板上;
2.二次侧引线颜色不同便于区分同名端和三相;
3.环氧固定,抗震能力强,外形美观。
二、使用环境条件:
1.环境温度:-55℃~+85℃;
2.相对湿度:温度为40℃时不大于90%;
3.大气压力:860~1060mbar(约为650~800mmHg)。
三、工作频率范围:20Hz~1kHz。
四、绝缘耐热等级:B级。
五、安全特性:
1.绝缘电阻:常态时大于1000MΩ;
2.抗电强度:可承受工频3000V/1分钟;
3.阻燃性:符合UL94-Vo级。
4.过载特性:输入5倍额定电流,变换器可以长期工作;
输入10倍额定电流,变换器可以工作十分钟。
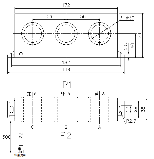
六、外形图、安装尺寸和线圈图:
1.外形及安装尺寸见图一

图一
注:A相输出为黄线,B相输出为绿线,C相输出为红线,黑线为公共线。
2.线圈图见图二

图二
七、性能参数:
按图三所示应用时性能参数见下表:

图三
产品型号 | 额定 输入电流 | 额定 输出电流 | 额定 采样电阻 | 额定 采样电压 | 非线性度 | 相移 |
STA4249-01 | 100A | 100mA | 5Ω | 0.5V | ≤0.5% | ≤30’ |
STA4249-02 | 200A | 100mA |
八、注意事项:
1.电流互感器初级应串联于被测电流回路中,次级应近似工作于短路状态。
2.电流互感器次级电路不允许开路,所以请不要装熔断器。