首页
产品中心
变压器
互感器
传感器
开关电源
电抗器
行业应用
电力自动化、智能化
电源设备
轨道交通
工业自动化
下载中心
新闻资讯
关于我们
联系我们
加入我们
登录
注册
EN
TA1018系列母线内置式电流互感器
TA1018系列母线内置式电流互-1.png
TA1018系列母线内置式电流互感器
特点:
1.母线内置,印刷线路板直接焊接安装;
2.全封闭,机械和耐环境性能好;
3.电压隔离能力强,安全可靠,外形美观。
TA1018系列标准产品通用技术参数:

    一、特点:

    1.母线内置,印刷线路板直接焊接安装;

    2.全封闭,机械和耐环境性能好

    3电压隔离能力强,安全可靠,外形美观

 

    二、使用环境条件:

    1.环境温度:-55℃~+85℃

    2.相对湿度:温度为40℃时不大于90%

    3.大气压力:860~1060mbar

                 (约为650~800mmHg)

 

    三、工作频率范围:20Hz~1.0kHz

 

    四、绝缘耐热等级:B(130℃)

 

    五、安全特性:

    1.绝缘电阻:常态时大于1000MΩ

    2.抗电强度:可承受工频2kV50Hz/1分钟;

    3.阻燃性:符合UL94-V0级。

 

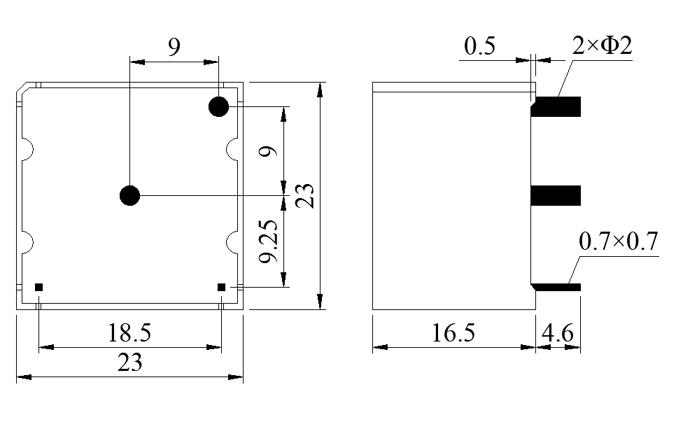
 六、外形图、安装尺寸(图一)及线圈图(图二)

 

图片1.png

  


 七、典型应用(图三)及性能参数:

  1.   image.png 

 八、注意事项:

    1.电流互感器初级应串联于被测电流回路中,次级应近似工作于短路状态;

    2.电流互感器次级电路不允许开路,所以请不要装熔断器。


应用案例
以市场需求为导向-不断创新-关注客户
标准产品预定
定制产品预定
搜索