首页
产品中心
变压器
互感器
传感器
开关电源
电抗器
行业应用
电力自动化、智能化
电源设备
轨道交通
工业自动化
下载中心
新闻资讯
关于我们
联系我们
加入我们
登录
注册
EN
TA0914系列母线内置式微型精密交流电流互感器
TA0914系列母线内置式微型精密交流电流互感-1.jpg
TA0914系列母线内置式微型精密交流电流互感器
特点:
1.输入线圈为内置式,印刷线路板直接焊接安装,外形美观;
2.输入输出变比可调,使用方便灵活;
3.体积小,精度高;全封闭,机械和耐环境性好,电压隔离能力强、安全可靠。
TA0914系列标准产品通用技术参数:

    一、特点:

    1.输入线圈为内置式,印刷线路板直接焊接安装,外形美观;

    2.输入输出变比可调,使用方便灵活;

    3.体积小,精度高;全封闭,机械和耐环境性好,电压隔离能力强、安全可靠。

 

    二、使用环境条件:

    1.环境温度:-55~+85

    2.相对湿度:温度为40时不大于90%

    3大气压力860~1060mbar(约为650~800mmHg)

 

    三、工作频率范围:20Hz~1kHz

 

    四、绝缘耐热等级:B(130)

 

    五、安全特性:

    1.绝缘电阻:常态时大于1000MΩ;

    2.抗电强度:可承受工频2kV50Hz /1分钟;

    3.阻燃性:符合UL94-V0级。

 

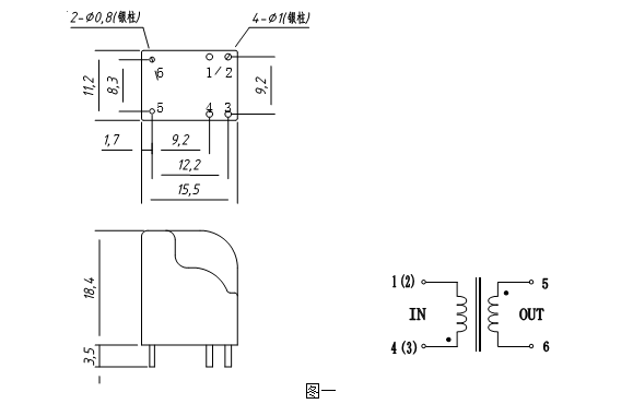
    六、外形图、安装尺寸和线圈图:

image.png

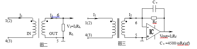
    七、典型应用及性能参数:

image.png

    1.电阻法直接获得采样电压时(图二),性能参数见表一;

    2.用IC法获得采样电压时(图三),性能参数见表二;

 

    表一:   

image.png

    表二:

 image.png

    八、注意事项:

    1.电流互感器初级应串联于被测电流回路中,次级应近似工作于短路状态;

    2.电流互感器次级电路不允许开路,所以请不要装熔断器。


应用案例
以市场需求为导向-不断创新-关注客户
标准产品预定
定制产品预定
搜索