一、特点:
1.立式穿芯,印刷线路板直接焊接安装;
2.体积小巧,精度高,外形美观;
3.全封闭,机械和耐环境性能好,电压隔离能力强。
二、使用环境条件:
1.环境温度:-55℃~+85℃;
2.相对湿度:温度为40℃时不大于90%;
3.大气压力:860~1060mbar(约为650~800mmHg)。
三、工作频率范围:20Hz~20kHz。
四、绝缘耐热等级:B级(130℃)。
五、安全特性:
1.绝缘电阻:常态时大于1000MΩ;
2.抗电强度:可承受工频6kV50Hz /1分钟;
3.阻燃性:符合UL94-V0级。
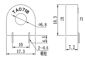
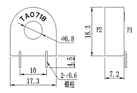
六、外形图、安装尺寸(图一)及线圈图(图二):


图一
七、典型应用及性能参数:
1.用电阻法直接获得采样电压时(图三所示)性能参数见表一;
2.用IC法获行采样电压时(图四所示)性能参数见表二;

八、典型应用及性能参数:
1.用电阻法直接获得采样电压时(如左上图三所示)性能参数见表一;
表一:
产品型号 | 额定 输入电流 | 额定 输出电流 | 额定 采样电阻 | 额定 采样电压 | 相移 | 非线性度 | 线性范围 | 耐压 (kV) |
TA0718-01M | 5A | 5mA | 50Ω | 0.25V | ≤30’ | ≤0.25% | ≥1.5倍额定 | ≥6 |
2.用IC法获行采样电压时(如右上图四所示)性能参数见表二;
表二:
产品型号 | 额定 输入电流 | 额定 输出电流 | 额定采样电压 | 相移 | 非线性度 | 线性范围 | 耐压 (kV) |
TA0718-01M | 5A | 5mA | ≤1/2倍IC电源电压 | ≤5’ | ≤0.1% | ≥1.5倍额定 | ≥6 |
九、注意事项:
1.电流互感器初级应串联于被测电流回路中,次级应近似工作于短路状态。
2.电流互感器次级电路不允许开路,所以请不要装熔断器。