一、特点:
1.体积小,精度高;印刷线路板直接焊接安装,使用方便,外形美观;
2.全封闭,机械和耐环境性能好,电压隔离能力强,安全可靠。
二、使用环境条件:
1.环境温度:-55℃~+85℃;
2.相对湿度:温度为40℃时不大于90%;
3.大气压力:860~1060mbar(约为650~800mmHg)。
三、工作频率范围:20Hz~20kHz。
四、绝缘耐热等级:B级(130℃)。
五、安全特性:
1.绝缘电阻:常态时大于1000MΩ;
2.抗电强度:可承受工频2kV50Hz /1分钟;
3.阻燃性:符合UL94-V0级。
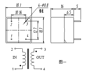
六、外形图、安装尺寸及线圈图见右图一:

七、典型应用及性能参数:
TV1014是一种电流型电压互感器,典型应用如下图二和下图三,性能参数见下表。

八、注意事项:
本型电压互感器其原理是电流型电压互感器,所以次级电路不允许开路使用,也因于此,请不要在次级回路安装熔断器。